75332_ Задвижка дверная DL160/8/60 SN (матовый никель) бэскет 60мм, шпиндель 8х8мм

Арт. 204111
Описание
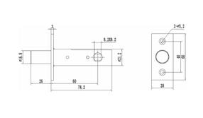
Технические характеристики задвижки Doorlock матовый никель, бэксет 60мм, шпиндель 8x8мм Материал сталь Тип установки врезной Цвет никель матовый Удаление отверстия (BACKSET) 60 Назначение для металлических дверей Длина основания 78.2 мм Ширина основания 60 мм Форма ригеля круглая Диаметр ригеля 17 мм Вылет ригеля 26 мм Диаметр крепежного отверстия 5 мм Количество в упаковке 1 шт Вес нетто 0.154 кг 322,00 ₽ / шт
Есть в наличии Доставка по городу и области Возврат или обмен в течение 14 дней*
Характеристики
(Данные отсутствуют)