1.06.40 ЭЛЬБОР Замок врез ГРАНИТ никель, сув. стерж. 3шт. д.18мм под фал ручку, задв. с защ. штор.

Арт. 33495
Описание
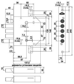
Врезной замок Эльбор Гранит 1.06.40 6-ти сувальдный, для дверей усиленной конструкции. В замках Эльбор серийно применяются защитные системы, обеспечивающие надежную устойчивость замков к криминальному открыванию и взлому. Использование таких систем позволяет защитить замок от большинства распространённых методов взлома. Дополнительные технические характеристики: Соответствует 4 классу ГОСТ 5089-2011. 4-х ходовый засов. 3 стальных цилиндрических стержня (ригеля) диаметром 18 мм. Вылет ригелей 40 мм. Левосторонний. Задвижка со шторкой. Под фалевую ручку. Без тяг. 6 956,00 ₽ / шт
Есть в наличии Доставка по городу и области Возврат или обмен в течение 14 дней*
Характеристики
(Данные отсутствуют)