RеХ.3.9 Замок врезной 6-ти сувальдный, 3стержня ф18мм, задвижка ф18мм, защёлка ф18,6мм,правосторон.

Арт. 76566
Описание
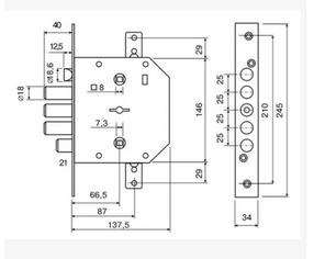
Замок врезной дверной универсальный ReX.3.9 компании "Эльбор" - идеальный и надежный вариант для металлических входных дверей правого открывания. Замки данной модели предусматривают защелку и задвижку. Рекомендуемая толщина двери 40-80 мм. • Автоматическое запирание: нет. • Тип ригелей: круглые. • Количество ригелей: 3. • Вылет ригеля: 40 мм. • Диаметр ригеля: 18 мм. • Количество ключей: 5. • Межосевое расстояние: 42 мм. • Удаление ключевого отверстия (бэксет): 66,5 мм. • Размеры врезной части: 137,5х146 мм. • Материал: сталь. • Тип механизма секретности: сувальдный. 2 956,00 ₽ / шт
Есть в наличии Доставка по городу и области Возврат или обмен в течение 14 дней*
Характеристики
(Данные отсутствуют)