75334_Корпус сувальдного замка DL9257K/Z/60мм, 5 ключей, хромированная фронтальная планка 28х220мм

Арт. 203915
Описание
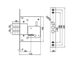
Технические характеристики корпуса сувальдного замка Doorlock 60мм хромированная фронтальная планка 28х220мм, диаметр ригелей 16мм Тип замка врезной Назначение для деревянных/металлических дверей Класс безопасности 3 Направление открывания двери левое/правое Комплектация в сборе Тип механизма секретности сувальдный Тип запирания не автоматическое Количество сувальд 8 шт Тип ключа сувальдный Количество ключей 5 шт Межосевое расстояние нет мм Форма ригеля цилиндр Количество ригелей 3 шт Цвет лицевой планки хром С защелкой нет Кодовый нет Ручки в комплекте нет Сейфовый нет Уличный да Двухсистемный нет Влагозащищенный нет Морозоустойчивость да Противопожарный да Длина 110 мм Ширина 28 мм Высота 220 мм Удаление ключевого отверстия (Backset) 60 мм С вертушкой нет Вылет ригеля 36 мм 2 040,00 ₽ / шт
Есть в наличии Доставка по городу и области Возврат или обмен в течение 14 дней*
Характеристики
(Данные отсутствуют)